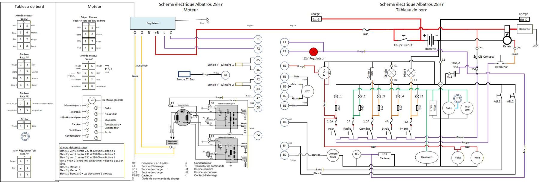
SurVolULM
Vol en ULM Multi-axes Albatros
Votre adresse e-mail ne sera pas publiée. Les champs obligatoires sont indiqués avec *
Commentaire *
Nom *
E-mail *
Site web
Δ